Aveam de mai demult o boxa, doar basul cu partea electronica, Creative Inspire P580.
Nu aveam la ea, partea de control pe fir, care de fapt era "telecomanda" boxei. Satelitii de asemenea nu ii aveam, dar aveam in plan sa o fac un fel de "all in one" cu 2 difuzoare de medii-inalte, in aceeasi cutie de bass, cu toata electronica.
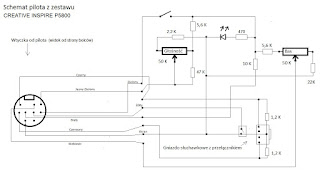
Ideea e ca stiam ca ma asteapta ceva complicatii, pt ca controlul era pe o mufa mini DIN cu 9 pini.
Initial am crezut ca o sa fie simplu, ma gandeam ehh sunt doua, trei surse de semnal audio, care se intorc printr-un potentiometru, inapoi pe mufa DIN.
Ce sa vezi? Fix ca nu era asa. M-am apucat si am alimentat placa cu 12v, si apoi ma asteptam sa am brumul clasic cand pun mana pe intrarile integratelor de amplificare. Apoi m-am uitat mai bine, si mi-am dat seama ca de fapt controlul de volum se face in tensiune.
Pfoai. Pana la urma era de astepat pt ca era o boxa Creative, old school si stiam ca astia se cam respecta de la Creative.
Am rascolit tot internetul pana am gasit cu greu, alt model asemanator, si pana la urma tot pe un site rusesc am gasit mufa si ce si cum.
Linkurile utile pt cei care se vor lovi de aceasta problema.
https://pinouts.ru/Audio-Video-Hardware/creative_t3100_speakers_pinout.shtml
https://forum.allaboutcircuits.com/threads/inspire-p580-problem.69942/
https://www.elektroda.pl/rtvforum/topic2522344.html#gallery-1
http://www.tehnari.ru/1101008-post7.html
https://forum.cxem.net/index.php?/profile/215152-%D0%B0%D0%BB%D0%B5%D0%BA%D1%81%D0%B0%D0%BD%D0%B4%D1%80-%D1%87%D0%B8%D1%81%D1%82%D1%8F%D0%BA%D0%BE%D0%B2/&do=content&type=forums_topic_post&change_section=1
https://www.digitalworldz.co.uk/threads/creative-p5800-speakers.363911/
http://www.tehnari.ru/attachments/f142/81178d1338278843-creative-inspire-p5800.jpg
Bon. Dupa ce ca nu stiam cum vin firele si care e treaba pe mufa mini DIN cu 9 pini, si bajbaiam pe la gaurele, mi-am dat seama ca era ars si un tranzistor pe placa. Tranzistorul ars era un STC945, care este o banalitate de tranzistor NPN, problema era ca pinii de la tranzistor erau dispusi in tipul Emitor Colector Baza, cu pinii in jos si scrisul spre vizualizare. Adica nu ca un BC obisnuit, EBC. Am inceput sa caut in cutia cu piese, si cand mai aveam un pic sa pun un BC cu picioarele sucite ca si cum ar "face pipi" :D am gasit ce sa vezi? Chiar un STC945! Hihihi... sa gasesti chiar tranzistorul potrivit, in cutia cu maimute... mai rar...
Am schimbat trz, si am inceput sa bajbai cu o rezistenta de 10K sa incerc sa pornesc boxa, pt ca ea chiar daca avea curent, era in mod "standby".
Cand am nimerit pe brum, mi-am dat seama ca boxa are soft start. Si eu tot frecand rezistenta pe acolo, nu asteptam destul de mult timp, ca sa plece cu soft start-ul. Pana la urma, da.
Apoi hai sa vad care e volumul. Alta bajbaiala si ce sa vezi? evident ca si volumul era cu fade-in si fade-out. Bah astia de la Creative, chiar au pus fuflet in P580.... soft start, fade in fade out... bun asa.
Deci concluzie, i-am dat de cap. Acum mai ramane sa ii pun difuzoarele, si 2 potentiometri, pt ca volumul global, (front-rear-center) este diferit de volumul bass-ului. ;)
Mai jos aveti poze exemplificative:
mai jos sunt pozele de pe net, dupa care m-am ghidat.



























Niciun comentariu:
Trimiteți un comentariu